Already a member? Sign in or create an account

Cart

Product Quantity  

Your cart is empty.

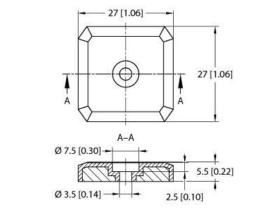
TW865-868-Q30L115-M-B112 UHF Tag

TW865-868-Q30L115-M-B112

UHF Tag, 168-h exposure of engine oil, 168-h exposure of salt water (salt content 10 %), 168-h exposure of sulfuric acid (10 %, pH 2), 1-h exposure of NaOH (10 %, pH 13), EEPROM, memory 112 byte, TID memory: 12 byte, For direct mounting on metal

  • SKU
    4047101490718
  • Manufacturer code
    100003971
  • Radio protocol
    EPCglobal Class-1 Gen 2
  • Type of memory
    EEPROM
  • Width
    30 mm
  • Depth
    30 mm
  • Degree of protection (IP)
    Other
  • Height
    3.9 mm
  • Manufacturer Turck

Related products