
FCS-G1/2A4-NAEX0/D024 Flow Monitoring, Immersion Sensor without Integrated Processor
Manufacturer: Turck Code: 6870344 SKU: 4047101173086
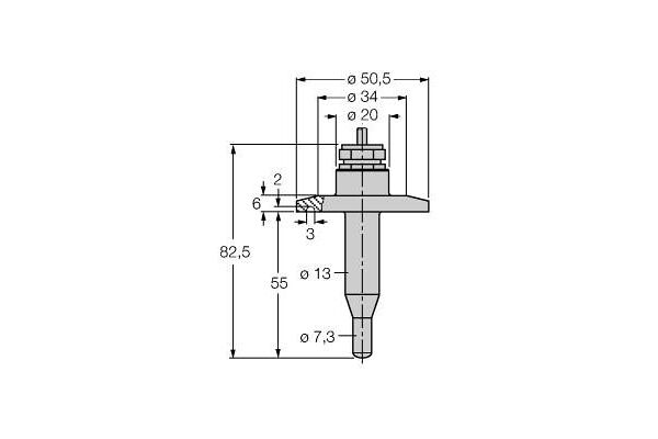
Flow Monitoring, Immersion Sensor without Integrated Processor, Immersion sensor, Cable length 2 m, Ex sensor for liquid media, Calorimetric functionality, Adjustment via Ex signal processor, Status displayed via signal processor, Sensor made of A4 stainless steel (1.4404), Tri-Clamp, Acceptance test certificate 3.1 (EN 10204), Intrinsically safe Ex ib IIC T6…T3, for use in Zone 1, Cable device, 4-wire connection to an Ex signal processor, ATEX category II 2 G, Ex zone 1, ATEX category II 2 D, Ex zone 21
This product is currently unavaliable, this could be due to a limited stock shortage, or because of discontinuation or replacement. For more information please contact us at b2b@tipteh.si.